Mechanický elektromer 1-fázový LE-01

Späť
Ďalší
- Kompletné špecifikácie
- Parametre
- Hodnotenie 0
Mechanický elektromer 1-fázový LE-01Skladom21,55 €/ ks17,52 € bez DPH
Kompletné špecifikácie
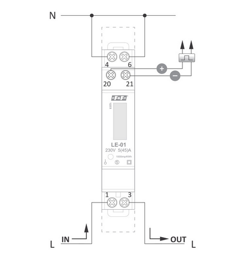
1-fázový mechanický elektromer, 230 V, 45 A
Jednofázový mechanický elektromer LE-01 je určený k podružnému meraniu spotreby elektrickej energie samostatných spotrebičov alebo spotrebičov v skupinách. Elektromer je možné použiť len na informatívne meranie, nie na fakturačné účely.
Vlastnosti
- 1-fázový,
- priame meranie do 45 A,
- mechanické počítadlo,
- impulzný výstup S0.
Parametre
Pripojenieskrutkové svorky 6 mm²
Príkon0,4 W
Prevádzková teplota-25 až 65 °C
Rozmer1 modul (18 mm)
Napätie230 V
Max. prúd45 A
Stupeň krytiaIP 20
Trieda presnosti1
Impulzný výstupotvorený kolektor (27 V DC / 27 mA)
Rozsah číselníka0 až 99.999,9 kWh
Konštanta elektromeru1000 imp/kWh
Tovar zaradený v kategóriách






